ООО «ИТЦ «КРОС» выпускает модификации гидравлических барабанов с пружинным приводом типа БГ02 и БГ04, предназначенные для передачи гидравлических потоков на оголовок телескопической стрелы самоходных кранов, к люльке подъемников, к буровому оборудованию на кранах-манипуляторах. Данное оборудование находит широкое применение в гидравлических системах автокранов, подъемников, кранов манипуляторов и других строительно-дорожных машин. При необходимости гидравлический барабан может дополнительно оборудоваться электрическим кабелем.
Натяжение рукавов высокого давления (РВД) в барабанах типа БГ осуществляется с помощью спиральной пружины. Обратное наматывание РВД на гидравлический барабан в исходное положение обеспечивается спиральной пружиной. Тип БГ02 означает, что с барабана сматывается сдвоенный РВД. Тип БГ04 означает, что с барабана сматывается счетверенный РВД (или два сдвоенных РВД). Максимальная длина сматывания стандартных гидравлических барабанов типа БГ — 14, 17 и 20 м. Возможно исполнение гидравлических барабанов с другими параметрами.
Конструктивно гидравлический барабан выполнен в виде металлического (стального) барабана со спиральной пружиной, ось которого соединена со встроенным гидрошарниром. Конструкция гидрошарнира гидравлических барабанов обеспечивает надежную передачу потоков гидравлической жидкости от 2-х до 4-х каналов. Температурный режим использования барабанов типа БК от -40°С до +40°С.
Сдвоенные рукава высокого давления (РВД) изготовлены из высокопрочных синтетических волокон и износостойкого полиуретана. В зависимости от модели гидравлических барабанов, возможна установка рукавов диаметром от ¼» до 1″ с классом прочности SAE 100 R7 или R8 в соответствии с нормой DIN 20022. Рукава класса R7 имеют многослойное покрытие и выдерживают максимальное рабочее давление от 70 до 207 бар.
Правила монтажа и эксплуатации барабанов типа БГ
- Свободная намотка:устанавливайте барабан так, чтобы РВД сматывался и наматывался свободно, без дополнительного ручного натяжения.
- Без перегибов:избегайте малых радиусов изгиба РВД на роликах и других элементах.
- Длина РВД:не наматывайте на барабан шланг длиннее, чем указано в паспорте. При полной размотке на барабане должно оставаться минимум 2-3 витка РВД.
- Правильная укладка:наматывайте РВД на барабан ровно, без скруток и перегибов.
Как выбрать барабан
- Определите необходимую рабочую длинусматывания РВД и общую длину шланга на барабане.
- Уточните у производителя РВД его допустимое усилие натяжения, минимальный радиус изгиба и температурный диапазон.
- Стандартный температурный режим барабанов БГ: от -40°C до +40°C. Для других условий требуется специсполнение.
При использовании с направляющими роликами
- Избегайте реверсивного изгиба РВД (изгиба в противоположные стороны).
- Отклонение РВД в горизонтальной плоскости не должно превышать 5 градусов.








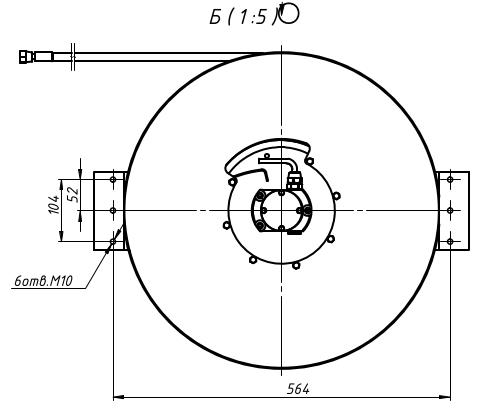
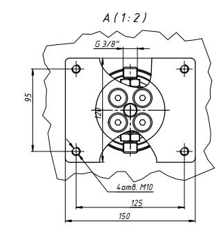
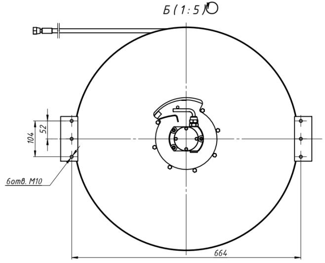
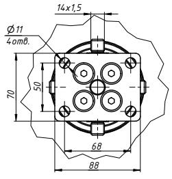
Рис.1. размеры гидравлического барабана БГ02.14 и варианты крепления








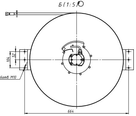
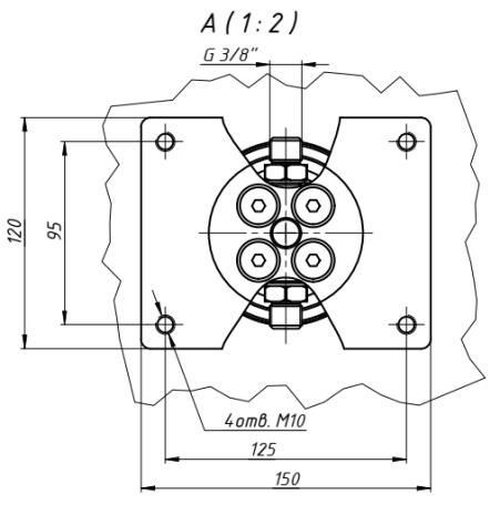
Рис. 2. размеры гидравлического барабана БГ02.17 и варианты крепления








Рис. 3. размеры гидравлического барабана БГ02.20 и варианты крепления




Рис. 4. размеры гидравлического барабана БГ04.14 и вариант крепления





Рис. 5. размеры гидравлического барабана БГ04.17 и вариант крепления


